固定电话:

0517-86881563

手机热线:

153-1230-7860

当前位置:首页 >> 新闻动态
一种新型电磁流量计高精度可调励磁电路设计
电磁流量计背景技术
电磁流量计是根据法拉第电磁感应定律制造的用来测量管内导电介质体积流量的一种高准确度感应式仪表,其原理是由励磁电路驱动线圈,产生一个磁场,当介质流动时,在测量电极上会感应电动势,测量电动势的值与流量成线性关系。由其原理可知,励磁电路对电磁流量计的准确度影响很大,通常一个励磁电路需要适应多种口径的管体,但不同口径的管体在同样的励磁电流下产生的磁场强度不同,电极上测量到的信号强度不同对后续电路的处理造成困难,特别是对A/D转换电路部分,若设置A/D转换器的量程过大,会造成转换精度变差,若设置量程过小,会造成在磁场强度大的时候信号超出测量范围。如何选用合适的励磁电流一直是电磁流量计的重要问题
具体实施内容
以下结合附图和具体实施例对本实用新型作进一步详细说明。本实用新型的励磁电路原理框图如图1所示,
云顶集团3118acm官网
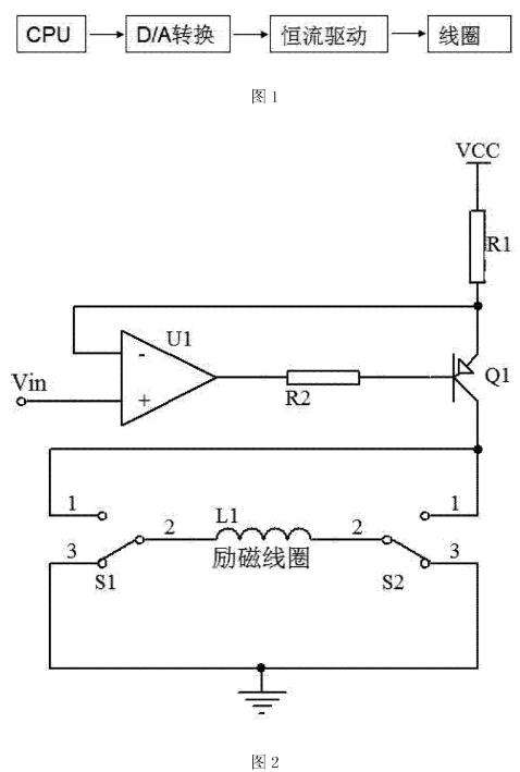
由CPU控制D/A转换电路输出电压控制恒流驱动电路产生励磁电流,激励线圈产生磁场。本实用新型的励磁电路原理图如图2所示,D/A转换输出电压值Vin,接运算放大器UI的同相端,U1的反相端接电阻R1和三极管Q1的发射极,RI1另一端接电源vcc,三极管Q1基极接电阻R2,R2另一端接运算放大器U1的输出端,三极管Q的集电极接电子开关S1和S2常开端,电子开关S1和S2的常闭端接GND,电子开关S和S2的公共端分别接线圈两端。
CPU控制S接常开,S2接常闭,就可以实现正向电流的励磁,CPU控制S2接常开,S接常闭,就可以实现反向电流的励磁,若CPU控制S1接常闭,S2接常闭,则无励磁电流,从而CPU定时控制电子开关的闭合,就可以方便的实现电磁流量计的双值矩形波励磁或三值矩形波励磁。励磁电路的励磁电流为l所以CPU控制改变D/A转换电路的输出电压Ⅴin,就可以控制励磁电流,实现励磁电流的正确可调。
本实用新型的电磁流量计励磁电路可以对励磁电流实现准确调整,以适应多种口径管体,避免了由于不同口径管体造成的信号差别过大问题,是电磁流量计测量更加准确,通用性更强。
以上所述仅是本实用新型电磁流量计励磁的实施方式,应当指出的是,对于本技术领域的普通技术人员来说,在不脱离本实用新型原理的前提下,还可以做出若干改进和润饰,这些改进和润饰也应视为本实用新型的保护范围。

上一条:容积法在线验证电磁流量计精度
下一条:电磁流量计现场故障及处理措施分为哪几步?


客户服务热线
15312307860

联系我们