固定电话:

0517-86881563

手机热线:

153-1230-7860

当前位置:首页 >> 新闻动态
一种电磁流量计空管信号的分离电路设计
一种流量计空管信号的分离电路。
技术背景,流量计具有空管报警功能,智能的判断管道是否为空。然而空管信号与流量信号由同一路电路输出,而且通过同一组采样电容进行采样,然后进行AD转换。这种设计存在的缺陷在于:由于空管信号远远大于正常范围内流量信号,当采样电容对空管信号进行采样时,采样电容的充电量会很大,在随后采样流量信号时,由于之前空管信号时的电量不能全释放,会对流量信号有很大的影响,从而导致流量测量不准确。
技术内容,鉴于现有技术存在的不足,本实用新型提供一种电磁流量计空管信号的分离电路。本实用新型就是针对现有技术存在的不足,将空管信号与流量信号在采样时进行分离,使用不同的采样保持电容对上述二者信号进行采样及保持,通过电子开关控制二者采样的时序,使用不同的A转通道分别对二者的采样保持信号进行转换,消除了二者之间的影响,使测量更加准确。
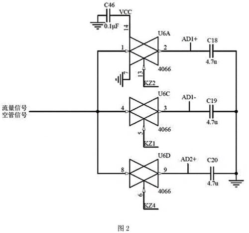
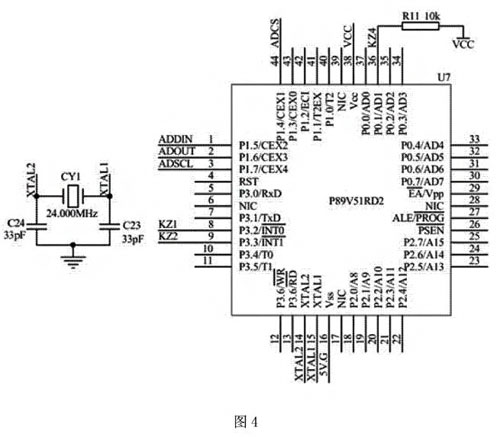
本实用新型为实现上述目的,所采用的技术方案是:一种电磁流量计空管信号分离电路,其特征在于:包括空管信号分离电路、多通道AD转换电路、微处理器控制电路,所述微处理器控制电路分别与空管信号分离电路、多通道AD转换电路连接,所述空管信号分离电路与多通道AD转换电路连接;具体电路连接为:空管信号分离电路的电子开关U6A的1脚、U6C的4脚、6D的8脚的输入端均连接到流量信号和空管信号,电子开关L6A的2脚输出端、U6C的3脚输出端、U6D的9脚输出端分别与三个采样保持电容Cl8,Cl9,C20的端相连,三个采样保持电容C18,C19,C20的另一端均连接到地,三个电子开关U6C的5脚控制端KZl、U6A的13脚控制端κZ2、U6D的6脚控制端KZ4分别与微处理器控制电路的微处理器U7的三个10引脚8脚、9脚、36脚相连,电子开关U6A的2脚输出端与采样保持电容Cl8的连接点ADl+以及电子开关U6C的3脚输出端与采样保持电容C19的连接点AD1-,二者分别与多通道AD转换电路的AD转换芯片U4的通道1的5脚、6脚连接,电子电子开关U6D的9脚输出端与采样保持电容C20的连接点AD2+以及地,二者分别与多通道AD转换电路的AD转换芯片U4的通道2的7脚、8脚连接,电子开关U6A的电源脚14脚接电源VCC并通过电容C46接地,电子开关U6A的接地脚7脚接地,基准电压源IC1和电阻R38、电阻R38’组成的基准电压电路为AD转换芯片U4提供2.5V转换基准电压;晶振CY1和电容C23、电容C24组成的振荡电路为微处理器U7提供时钟周期,使微处理器正常工作;电子开关U6A,U6C控制流量信号的采样,采样保持电容CI8,CI9对流量信号进行保持,多通道AD转换芯片U4的1通道对流量信号进行转换;电子开关L6D空管信号的采样,采样保持电容C20对空管信号进行保持,多通道AD转换芯片U4的2通道对空管信号进行转换。
本电磁流量计空管信号分离电路的有益效果是:现有技术采用的方法是使用同一组采样保持电容对上述两种信号进行采样,使用同一AD转换通道对上述两种信号进行转换,仅在时间上进行了分离;本实用新型则实现了将混合在一起的流量信号和空管信号在时间和空间分别进行了分离,消除二者之间的相互影响,使测量更加准确.
附图说明
图1为电路连接框图
云顶集团3118acm官网
图2为空管信号分离电路原理图
云顶集团3118acm官网
图3为多通道AD转换芯片电路原理图;
云顶集团3118acm官网
图4为微处理器控制电路原理图
云顶集团3118acm官网
电磁流量计空管信号的分离电路,具体实施方式
如附图1、2、3、4所示,电磁流量计空管信号分离电路,包括空管信号分离电路、多通道AD转换电路、微处理器控制电路,所述微处理器控制电路分别与空管信号分离电路多通道AD转换电路连接,所述空管信号分离电路与多通道AD转换电路连接;具体电路连接为:空管信号分离电路的电子开关U6A的1脚、U6C的4脚、U6D的8脚的输入端均连接到流量信号和空管信号,电子开关U6A的2脚输岀端、U6C的3脚输出端、U⑥D的9脚输岀端分别与三个采样保持电容C18,C19,C20的一端相连,三个采样保持电容C18,C19,C20的另端均连接到地,三个电子开关U6C的5脚控制端KZl、U6A的13脚控制端KZ2、U6D的6脚控制端KZ4分别与微处理器控制电路的微处理器U7的三个10引脚8脚、9脚、36脚相连,电子开关U6A的2脚输出端与采样保持电容C18的连接点ADl+以及电子开关U6C的3脚输出端与采样保持电容Cl9的连接点AD1-,二者分别与多通道AD转换电路的A转换芯片U4的通道1的5脚、6脚连接,电子电子开关U6D的9脚输出端与采样保持电容C20的连接点AD2+以及地,二者分别与多通道AD转换电路的AD转换芯片U4的通道2的7脚、8脚连接;电子开关U6A的电源脚14脚接电源VCC并通过电容C46接地,电子开关U6A的接地脚7脚接地,基准电压源IC1和电阻R38、电阻R38’组成的基准电压电路为AD转换芯片U4提供2.5V转换基准电压,本实用新型使用的AD转换芯片U4是AD7799,TL431B提供2.5V电压基准。晶振CY1和电容C23、电容C24组成的振荡电路为微处理器U7提供时钟周期,使微处理器正常工作。
电子开关U6A和U6C用于控制流量信号采样,采样保持电容Cl8,C19用于流量信号的采样保持;电子开关U6D用于控制空管信号采样,采样保持电容C20用于空管信号的采样保持。当对流量信号进行采样时,通过微处理器U7控制电子开关U6D控制端KZ4,使其关闭电子开关U6D。通过微处理器U7控制电子开关U6C和U6A的控制端KZ1和控制端KZ2轮流打开电子开关U6C和U6A对流量信号进行采样,通过对采样保持电容Cl8、采样保持电容C19进行充电对流量信号进行保持,然后通过多通道AD转换芯片U4的通道1对流量的采样保持信号进行转换,得到流量数据。当对空管信号进行采样时,通过微处理器U7控制电子开关U6C、U6A和L6D的控制端KZ1、控制端KZ2和控制端KZ4,关闭电子开关U6A和U6C,打开电子开关L6D,对空管信号进行采样,通过对采样保持电容C20进行充电对空管信号进行保持,然后通过多通道AD转换芯片u4的通道2对空管的采样保持信号进行转换,得到空管数据。微处理器U7为P89V51RD2微处理器,电子开关U6A、电子开关U6C、电子开关U6D均为4066电子开关。

上一条:实地操作如何正确更换和安装流量计?
下一条:智能电磁流量计在铜液流量测量中的应用


客户服务热线
15312307860

联系我们